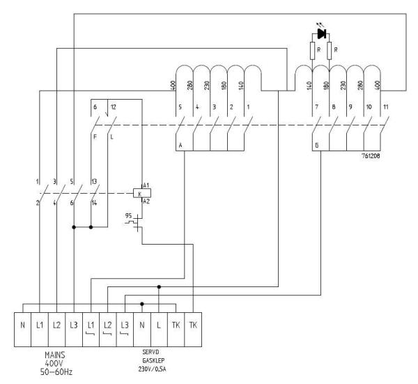
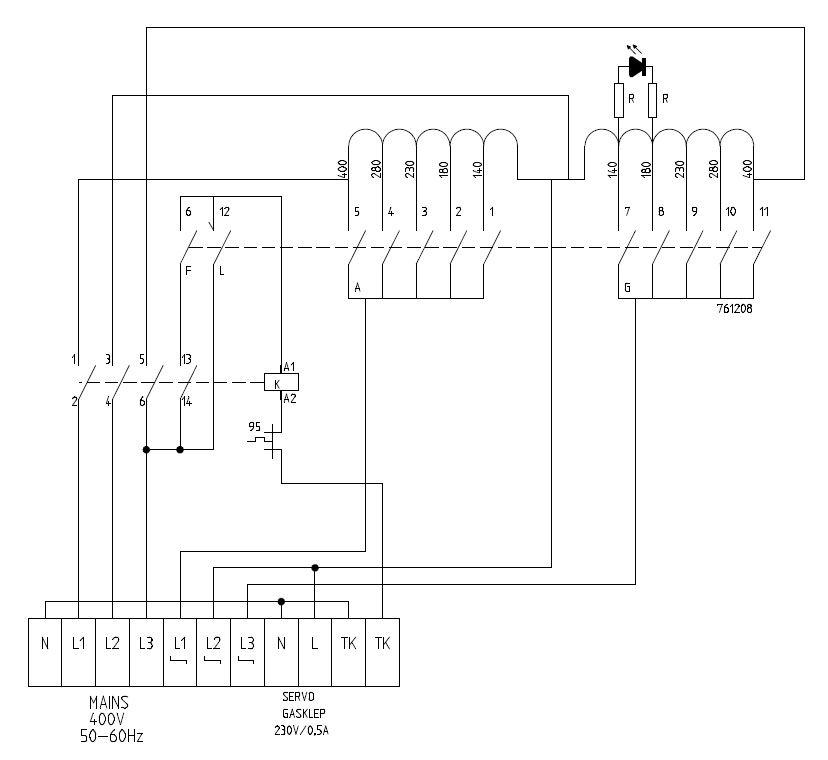
GESCHWINDIGKEITSREGLER 3 PHASE 7 AMP
GESCHWINDIGKEITSREGLER 3 PHASE 7 AMP
Preview: GESCHWINDIGKEITSREGLER 3 PHASE 7 AMP
Preview: GESCHWINDIGKEITSREGLER 3 PHASE 7 AMP